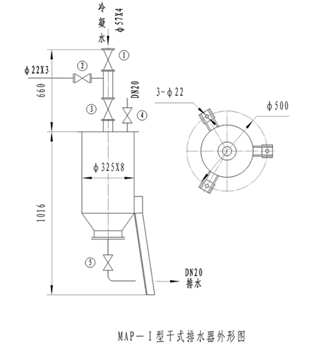
1.本排水器適用于煤氣加壓機后高壓焦爐煤氣管道,壓力≤0.1MPa。
2.當人工排水時,①—②閥全部關閉,帶防毒面具或背風向打開閥⑤見水基本排盡立即關閉閥⑤,同時打開閥①、閥③。
3.當與管道一起正常投運時,僅開閥①和閥③,其余閥皆關閉。
4.當檢修或吹掃時,關閉閥①閥②—⑤,從②閥接蒸汽或氮氣置換。
5.煤氣冷凝水接管法蘭為JB81-94,PN1.0DN50。

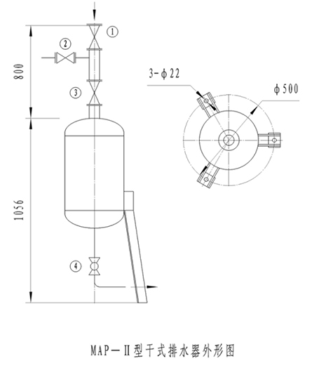
二、HL/MAP-Ⅱ干式排水器
1.本排水器適用于計算壓力≤0.9MPa脫硫脫奈高壓焦爐煤氣管道。
2.當人工排水時,①—③閥全部關閉,帶防毒面具或背風向,打開閥④見水基本排盡,立即關閉閥④,同時打開閥①、閥③。
3.當干式排水器與管道一起正常投運時,僅開閥①和閥③,其余閥皆關閉。
4.當檢修或吹掃時,關閉閥①或在閥后堵盲板,從閥②接蒸汽或氮氣吹除。
5.排水器按管法蘭為JB81-94,PN1.6DN50。

- 上一篇: HL/1PGX型干式懸掛式排水器
- 下一篇: HL/MGP型系列煤氣冷凝水排水器